加入购物车成功!
介绍:
1、概述
该系列电接点压力表适用于一般压力表允许的工作条件。配以相应的电气元器件,能对被测的输出信号和系统自动控制。
YXC系列产品具有工作可靠,接点功率大的优点;
YXN系列产品适用于有机械振动和介质脉动的条件具有******的抗振性能。
2、规格示意

3、额定负载参考值
| 电 压 V | 电阻性负载电流A | 电感性负载电流A | |
| AC | DC | ||
| 380 | 0.08 | 0.045 | |
| 220 | 0-135 | 0.13 | 0.065 |
| 110 | 0.27 | 0.25 | 0.13 |
| 50 | 0.5 | 0.4 | 0.2 |
| <40 | ≤1 | ||
4、技术参数
| 产 品 型 号 | YXC-100 YXN-100 | YXC-150 YXN-150 |
| 公 称 直 径 | Ф100 | Ф150 |
| 接 头 螺 纹 | M20x1.5 | |
| 精 确 度 等 级 | 1.0 1.5 | |
| 测 量 范 围 | -0.1~0.15 -0.1~0.3 -0.1~0.5 - 0.1~0.9 -0.1~1.5 -0.1~2.4 0~0.16 0~0.25 0~0.4 0~0.6 0~1 0~1.6 0~2.5 0~4 0~6 0~10 0~16 0~25 0~40 0~460 | |
| 使用环境条件 | 温度-40-70℃ 相对湿度≤85% | |
| 耐 振 等 级 | YXC系列V.H.3 YXN系列V.H.4 | |
| 电接点装置的技术参数 | ***高工作电压:DC220V AC380V | |
| 触点***大功率:30VA(阻性负载) | ||
| 控制方式:可调节上、下限缓行磁助接点开关 | ||
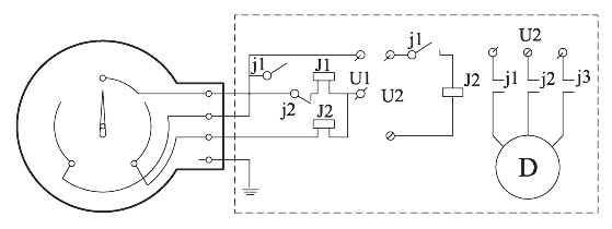
5、电接点压力表电气原理图

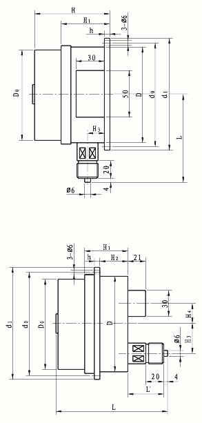
6、外形尺寸

上一篇:YMN系列隔膜式耐振压力表
下一篇:YBF/YBFN不锈钢压力表












